Vw Sand Rail Wiring Diagram / Dune Buggy and Sandrail Wiring Daigram | Car Stuff | Vw ... : Detailed description of technology of repair, electric.. Carmanualshub.com automotive pdf manuals, wiring diagrams, fault codes, reviews, car manuals and news! Polo sedan wiring diagram of the power supply control unit. And also car's electrical wiring diagrams, fault codes list, reviews, news. Dune buggy and sandrail wiring daigram sand rail vw trike. Detailed description of technology of repair, electric.

Sand rail wiring diagram get sand rail electrical. Handy wiring diagram that shows a paper trail of how the electrical system works for the 7.3l powerstroke engines, all trucks, excursions, vans. This video demonstrates the vw polo complete wiring diagrams and details of the wiring harness. Free repair manuals & wiring diagrams. If used for 6 volt, make all the wires heavier by 2 gauges.

TheSamba.com :: Performance - Engines/Transmissions - View ...
TheSamba.com :: Performance - Engines/Transmissions - View ... from i.pinimg.com
It was a copy i had to photoshop to make it readable & printable. The fog lights are optional. Legend of wiring diagram of manual transmission. And also car's electrical wiring diagrams, fault codes list, reviews, news. Detailed description of technology of repair, electric. Custom built buggies, usually vw engined hence vw in name. If used for 6 volt, make all the wires heavier by 2 gauges. Rorcat for the sand rail frame.

Electrical wiring diagram system vw corrado for year 1994 12 kb.

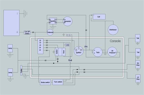
I need the wiring diagram for a 2001 vw polo, for the head unit and anywhere i can take off a 12v ignition switched wire to turn the new head unit off with the key. Do you have a wiring diagram for a 2001 vw passat stereo system! Handy wiring diagram that shows a paper trail of how the electrical system works for the 7.3l powerstroke engines, all trucks, excursions, vans. I still need help making the lights work and the rear suspension to work better. Sand rail wiring diagram get sand rail electrical. These can serve as a guide or reference for you while restoring your. Detailed description of technology of repair, electric. This is a simple wiring diagram i made up for my sand rail. Rorcat for the sand rail frame. Gabester for the n/b setup and interior parts. It's very detailed and shows how every wire for each component routes to the. If used for 6 volt, make all the wires heavier by 2 gauges. If your vehicle is not equipped with a working trailer wiring harness, there are a number of different.

It was a copy i had to photoshop to make it readable & printable. Volkswagen service and repair manuals. Carmanualshub.com automotive pdf manuals, wiring diagrams, fault codes, reviews, car manuals and news! Type 2 wiring diagrams contributions to this section are always welcome. If used for 6 volt, make all the wires heavier by 2 gauges.

TheSamba.com :: Kit Car/Fiberglass Buggy - View topic ...
TheSamba.com :: Kit Car/Fiberglass Buggy - View topic ... from farm3.static.flickr.com
Handy wiring diagram that shows a paper trail of how the electrical system works for the 7.3l powerstroke engines, all trucks, excursions, vans. I need the wiring diagram for a 2001 vw polo, for the head unit and anywhere i can take off a 12v ignition switched wire to turn the new head unit off with the key. Free repair manuals & wiring diagrams. We have created colored wiring diagrams for your convenience. Do you have a wiring diagram for a 2001 vw passat stereo system! Sand rail wiring diagram get sand rail electrical. Polo sedan wiring diagram of the power supply control unit. It's very detailed and shows how every wire for each component routes to the.

Sand rail wiring diagram get sand rail electrical.

Legend of wiring diagram of manual transmission. The fog lights are optional. Right click on the diagram/key/fuse box you want to download. Vehicle wiring diagrams includes wiring diagrams for cars and wiring diagrams for trucks. Free repair manuals & wiring diagrams. Custom built buggies, usually vw engined hence vw in name. Diagrams for the following systems are included : Detailed description of technology of repair, electric. 6 panel fuse box, fuses, wiring, ends, fittings, electrical tape, wiring diagram with instructions. And also car's electrical wiring diagrams, fault codes list, reviews, news. Electrical wiring diagram system vw corrado for year 1994 12 kb. Sand rail wiring diagram get sand rail electrical. Type 2 wiring diagrams contributions to this section are always welcome.

Polo sedan wiring diagram of the power supply control unit. 6 panel fuse box, fuses, wiring, ends, fittings, electrical tape, wiring diagram with instructions. Wiring diagrams, spare parts catalogue, fault codes free download. Do you have a wiring diagram for a 2001 vw passat stereo system! Dune buggy and sandrail wiring daigram sand rail vw trike.

Rebel Wire - VW SAND RAIL DUNE BUGGY WIRING HARNESS | eBay
Rebel Wire - VW SAND RAIL DUNE BUGGY WIRING HARNESS | eBay from rebelwire.com
Wiring diagrams, spare parts catalogue, fault codes free download. This video demonstrates the vw polo complete wiring diagrams and details of the wiring harness. Dune buggy and sandrail wiring daigram sand rail vw trike. This diagram was designed for 12 volt systems, but can also be used for 6 volt systems. Electrical wiring diagram system vw corrado for year 1994 12 kb. If used for 6 volt, make all the wires heavier by 2 gauges. Polo sedan wiring diagram of the power supply control unit. For volkswagen and vw based dune buggies.

Detailed description of technology of repair, electric.

Volkswagen sharan 2011 service training vw. 1993 vw passat fuserelay panel and ignition switch wiring diagram 146 kb. Vw sand rail wiring diagram dune buggy wiring harness diagram in vw sand rail wiring diagram, image size 640 x manx club empi 9466 wiring diagram vw sand rail dune buggy 12 fuse wire harness kit volkswagen johnnylawmotors com or other fiberglass cars loom. Sand rail wiring diagram get sand rail electrical. These can serve as a guide or reference for you while restoring your. The fog lights are optional. Electrical wiring diagram system vw corrado for year 1994 12 kb. We have created colored wiring diagrams for your convenience. Save the diagram to your hard drive, remember where you put it! Free repair manuals & wiring diagrams. I still need help making the lights work and the rear suspension to work better. 6 panel fuse box, fuses, wiring, ends, fittings, electrical tape, wiring diagram with instructions. And also car's electrical wiring diagrams, fault codes list, reviews, news.

By